Common Household Blender Motors
Classification:Micro DC Motor
Application:Hand mixer, Printer, Drill, Screw driver. Etc
Notes: The motors can be designed according to customer requirements
Common Household Blender Motors
The working principle of a home blender motor is very simple, it generates power through the principle of electromagnetism. When the switch is open, current flows into the motor, creating a magnetic field. This magnetic field will interact with the rotor in the motor, causing the rotor to rotate, driving the mixer head to stir at low or high speed.
Product Description
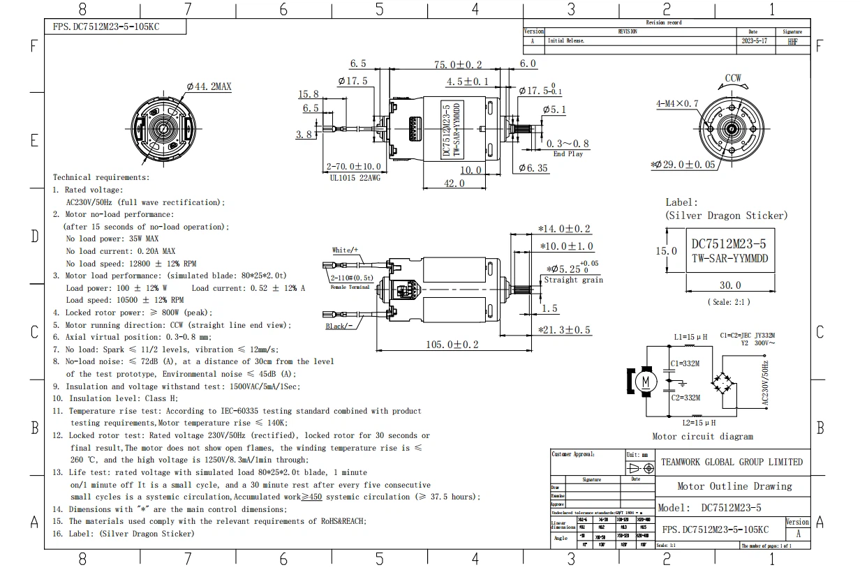
DC motor 7512 is a high-performance, high-reliability motor that is widely used in various electrical equipment. It has the characteristics of small size, light weight, high power and high efficiency, and is very convenient to use. Moreover, the DC motor 7512 also has strong adaptability and stability, and can adapt to various working environments and working conditions. In the design and manufacturing of electrical equipment, DC motor 7512 is an indispensable and important component. It provides a solid and reliable guarantee for the performance, quality and service life of electrical equipment. In short, DC motor 7512 is a very excellent motor product that has made great contributions to the development of the electronics and electrical appliance industries.
Product parameters

Frequently Asked Questions and Solutions
1. Is the motor of a household blender noisy?
Answer: There are two main reasons why household mixer motors are noisy. One is that the motor power is too low, which requires a lot of force to stir and makes a lot of noise. The other is that the mixing head is unstable and produces unnecessary vibrations. For the first case, we can buy a machine with higher power; for the second case, we need to replace or repair the mixing head.
2. Does the motor of a household blender get hot?
Answer: When the household blender motor runs at high speed, it will generate friction and heat during rotation, causing the motor to heat up. Of course, excessive operating temperatures can lead to motor failure. So when using the blender, we need to be careful not to let it run for a long time. If the motor heats up too much, it needs to be shut down and left to cool down to protect the motor from being damaged by high temperatures for a long time.
3. The motor speed of the household blender is slow?
Answer: There are several reasons for the slow speed of the household blender motor. First, the power supply voltage may be unstable. Second, the torque required for motor movement is insufficient. Third, the oil and electricity are exhausted after being used for too long. For the first two cases, you need to check whether the power supply voltage is stable, and you also need to check whether the equipment's motor has an "electronic limiter" that automatically adjusts the torque according to specific operating conditions, so that the faster the speed, the greater the working torque. In the latter case, we need to keep the equipment "always new" and take care of minor issues such as oil volume during the maintenance cycle.
4. Domestic blender motor protection devices fail?
Answer: It is very unsafe for the motor protection device of a household blender to fail and may cause the motor to explode. Therefore, we must regularly check the protective devices of the equipment, which include: motor protection, power supply protection, power core board protection, etc. In daily use, we cannot disassemble the equipment at will, which may easily lead to the failure of the protective device. For equipment that needs repair, it is best to leave it to professional maintenance personnel.

5. How to deal with motor failure of household blender?
Answer: When the household blender motor fails, we need to deal with it according to the specific situation. If it is a minor fault, we can directly perform repairs, such as adjusting network cables, replacing wires, plugs, etc. If it is a serious fault, such as motor short circuit, motor breakage, etc., you need to find a professional to deal with it or replace the equipment.
Hot Tags: common household blender motors, China, manufacturers, suppliers, factory, wholesale, customized, quotation, discount, price, buy, cheap
You Might Also Like
Send Inquiry
















