
Food Waste Processor Motor
Classification:Universal Motor
Application:Mixer, Breaking machine, High speed blender, Grinder, etc.
Notes: The motors can be designed according to customer requirements
Food Waste Processor Motor
Food waste is an essential part of our daily lives, but if not handled properly, it can cause many environmental problems. Therefore, food waste disposal bins came into being. Food waste disposal bins are widely used in various public places and homes. It can not only dispose of food waste conveniently and effectively, but also make the living environment more hygienic and cleaner.
Food waste disposal bins are usually designed to be sealed, which can effectively prevent the emission of odors. The box is equipped with special compression equipment, which can quickly compress food waste into small pieces and reduce the volume of waste for easier storage and processing. In addition, the food waste disposal box is also equipped with a filter inside the box, which can filter out elements such as grease and moisture to facilitate subsequent processing.
One type of food waste pocessor
1.Product Introduction
The food waste disposer is one of the most practical kitchen equipment in our daily life. It can help us effectively dispose of food waste. The most important part is the motor. As the core part of the food waste disposer, the motor has the following functions:
1. Crush food waste: The main function of the food waste disposer is to crush food waste into small pieces, and the motor is responsible for realizing this process. In the food waste disposer, the motor drives a set of rotating blades to cut the food waste into small particles, thereby facilitating sewer discharge and reducing environmental pollution.
2. Ensure usage efficiency: The motor is responsible for driving the blade to rotate, thereby improving processing efficiency. The speed and power of the motor largely determine the crushing efficiency of the food waste disposer. Therefore, when choosing a food waste disposer, we should also pay attention to the quality and performance of the motor.
3. Safety performance: A good motor can ensure the safety of the food waste disposer. The motor is responsible for driving the blade for crushing. If the motor itself is of poor quality or overused, it will affect the operation stability and bring risks. Therefore, good motor quality is also one of the core things we should pay attention to when using a food waste disposer.
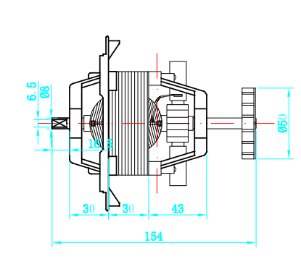
The motor size drawing.
2.Product Application
For businesses that require extensive use of power tools, the UM95 series series motor is an ideal choice. For example, industries such as woodworking, metal processing, and auto repair can use UM95 series series motors to drive their power tools. It can provide high-speed, high-torque output while maintaining its working efficiency and life.
The high efficiency and low noise of the UM95 series series motors make them a prime choice for home appliance manufacturers. For home appliances that require high-speed, high-torque output, such as vacuum cleaners etc., UM95 series series motors can provide excellent performance.
3.About Us
We insist on science and technology for Development, quality for survival, credibility for development. Excelsior, pragmatic innovation, to the interests of customers for their own responsibility. After years of operation, has accumulated rich experience in product quality and cost control, and established an effective quality cost control system. These competitive products have been more and more customers selected and respected.
Our MOQ is 2000pcs. But at the beginning of our business, we accept small order.
We accept T/T in advance. Also we have different bank account for receiving money, like US dollors or RMB etc.
4.FAQ
Q: How far from your factory to the loading port?
A:It only takes 1 hours from our factory to our local loading port. And it is very convenient for us to make the transportation.
Q: How many days you are working for every week?
A:We usually work 5 days to 6 days. however, sometimes. our workers need to make over working due to a lot mass orders schedule.
Q:Do you have any after sale service in abroad?
A:Yes,we do. We have office and agent in major city of Europe and America. You need to inform us your location and we can check it for you.
Q:Can I let my Chinese friend to go to audit your factory?
A:Yes.you can. however, if you need to visit and audit our factory. We need to confirm your details of your visit schedule. Such as the date, the people and the main audit content.
Hot Tags: food waste processor motor, China, manufacturers, suppliers, factory, wholesale, customized, quotation, discount, price, buy, cheap
Previous
Ice Machine MotorNext
Powerful MotorYou Might Also Like
Send Inquiry











