
Speed Mixer Motor
Classification:Permanent Magnet Motor
Application:High speed Blender, Mixer, Mincer, Garden tool. Etc
Notes: The motors can be designed according to customer requirements
Speed blender motor
1. Product Introduction of the high speed blender motor
The main products in our corporation are dc motor series .We provide 60Hz RECT dc motor China sample test. The two main characteristics are low noise and high torque. We are also supply brushless motor.
When it comes to the need for a speedy blender motor, there isn't necessarily one particular country that stands out above the rest. Rather, the need for high-speed blender motors is universal and can be found in households and businesses all around the world.
In today's fast-paced society, people are looking for efficient and effective ways to handle their daily tasks, including preparing meals and beverages. A speedy blender motor can make a huge difference in how quickly and smoothly these tasks can be accomplished. From smoothies and protein shakes to soups and purees, a powerful blender motor can turn tough ingredients into smooth textures in a matter of seconds.
In addition to individual households, restaurants, cafes, and other food establishments also require high-speed blender motors to keep up with the demands of their customers. In these settings, blenders are used to prepare large batches of food and beverages quickly and efficiently, making them crucial tools for running a successful business.
Overall, the need for a speedy blender motor is not limited to one particular country or culture. It is a universal necessity for anyone looking to save time and effort in the kitchen or in a food establishment.
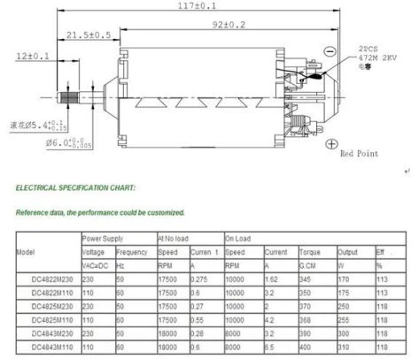
2. Product drawing with parameter of the high speed blender motor
Drawing

3. Product Feature and application of the high speed blender motor
Typical Application:Mixer,Blender,bottle opener,door opener.ETC
Its two main Characteristics are low noise and high torque.
4. Production Details of the high speed blender motor
The motor size and motor material can be designed by request
Custom design: Welcome
Hot Tags: Speed Mixer Motor, China, manufacturers, suppliers, factory, wholesale, customized, quotation, discount, price, buy, cheap
Previous
Big Mixer MotorYou Might Also Like
Send Inquiry











