New Type Electric Tool Motor
Classification:DC Motor
Application:Hair Curler,Electric Tool Motor, Blender, Mincer,Bottle Opener, Door Opener.Etc
Notes: The motors can be designed according to customer requirements
New Type Electric Tool Motor
The New Type Electric Tool Motor is a device that can convert electrical energy into mechanical energy for work. Its main components include the motor itself, rotating parts and output parts. The working principle of the New Type Electric Tool Motor is based on the principle of magnetic field interaction. Specifically, it uses the interaction between the magnetic field generated by the electromagnet on the stator and the magnetic field generated by the permanent magnet on the rotor of the motor to achieve the output of working mechanical energy. During the whole process, electric energy is input into the electromagnetic coil on the stator of the motor to generate a rotating magnetic field, and this magnetic field will act on the permanent magnet coil on the rotor of the motor, thereby generating a rotating magnetic field on the rotor to drive The rotating parts of the power tool do the work.
1.Product Description
New Type Electric Tool Motor refers to the core component that can convert electrical energy into mechanical energy and drive the operation of electric tools. Electric tool motor is a motor with high efficiency, low noise, low vibration, good control and reliability, and is widely used in decoration, construction, woodworking, metal processing, automobile, aviation and other industries.
The classification of New Type Electric Tool Motors is mainly divided into: direct current motor (DC) and alternating current motor (AC) according to the type of motor. Relatively speaking, DC motor is a power tool motor with better control mode, electrical performance and mechanical characteristics. In power tools, DC brushless motors are usually used. Because of their simple structure and no need for brushes, this motor reduces the possibility of motor failure and improves the life and stability of the motor.
The core parts of the New Type Electric Tool Motor are the rotor and the stator. The stator is composed of windings, armatures, iron cores, etc., and the rotor is composed of brushes, rotor cores and the magnetoelectric potential induced by a strong magnetic field.
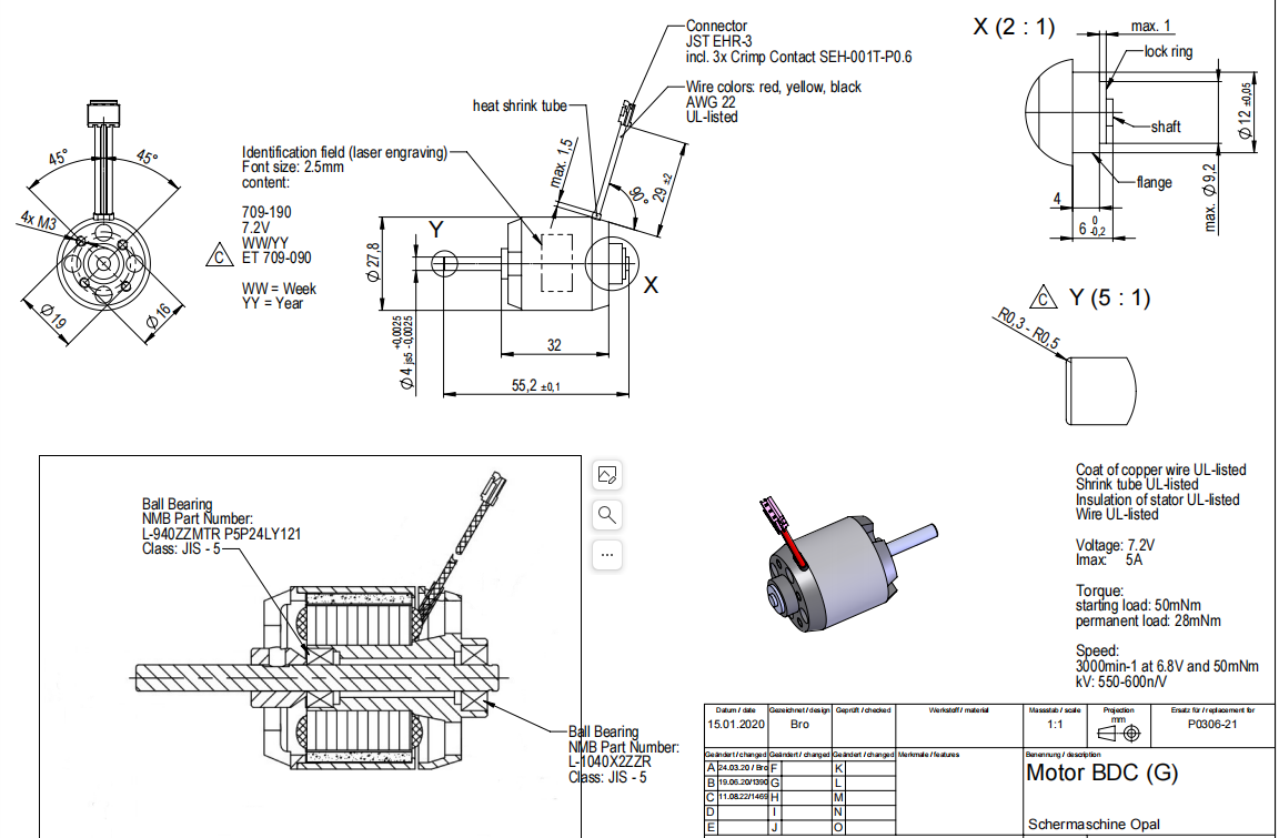
2.Product parameters

3.Features
1. High efficiency and energy saving
Compared with traditional gasoline or gas-powered tools, the energy efficiency of New Type Electric Tool Motors has been widely recognized. In the driving process of traditional tools, energy loss is often relatively large, while electric tool motors can convert electrical energy into mechanical energy to achieve high-efficiency transmission and conversion. At the same time, the electric tool motor can also realize the functions of load adaptation and power adjustment during work, so as to minimize energy consumption and achieve high efficiency and energy saving.
2. High speed and high efficiency
Another outstanding feature of New Type Electric Tool Motors is high speed and high efficiency. Power tool motors can achieve high-speed rotation under different load conditions, and can also realize automatic power adjustment in changing load environments, thereby improving work efficiency. For example, when using an electric drill, the electric tool motor can make the drill bit more stable and achieve efficient drilling through uniform speed.

3. Lightweight and portable
Power tool motors not only perform well and are effective at work, but their lightweight and portable features make them ideal for use outdoors or in other relatively small workspaces. Compared with traditional tools, it occupies less space and weighs less. At the same time, some electric tools can also achieve different functions by replacing different heads. This design is not only more flexible, but also easier to carry and use.
4. Low noise
Compared with traditional gasoline or gas-driven tools, the noise generated during use is significantly traditional, and the New Type Electric Tool Motor is a representative of low noise. This low noise feature is very attractive to most people. Whether it is in homework, or in offices and industrial enterprises, electric tool motors can complete the work without affecting the normal life, work and production of others.
5. Strong reliability
Compared with traditional tools, New Type Electric Tool Motors are safer and more reliable during use. This is due to the very fine design of its internal structure and working principle. The low-abrasion and high-durability materials used inside the electric tool motor, as well as the new maintenance-free and durable motor design, not only improve work efficiency, but also ensure its long-term reliability.
To sum up, New Type Electric Tool Motors have a series of characteristics such as high efficiency and energy saving, high speed and high efficiency, light weight and portability, low noise and high reliability. As an important part of modern tools, electric tool motors have been widely used and promoted. With the continuous development of technology and industry, electric tool motors will continue to be continuously upgraded and improved, bringing greater convenience to our life and work.
4.Application
1. Power tools
First of all, power tools are the most typical application of power tool motors. Electric tools use the high-speed rotation of the motor to drive the tool, and then perform various processing, trimming, grinding and other work. There are many types of electric tools, ranging from ordinary electric drills, electric hammers, and electric saws to more complex electric scooters, electric bicycles, and electric motorcycles, all of which require the support of electric tool motors.

2. Household appliances
Electric tool motors are also widely used in the manufacture of household appliances, such as: various types of vacuum cleaners, washing machines, rice cookers, induction cookers, air purifiers, etc. These household appliances require high-efficiency, low-noise, and low-power electric tool motors to ensure their normal operation. At the same time, the durability of electric tool motors can prolong the service life of household appliances.
3. Environmental protection and new energy fields
In recent years, with the vigorous development of environmental protection and new energy fields, the application of electric tool motors has become more and more extensive. For example: electric tool motors required by wind turbines and solar panels, and these electric tool motors usually require high torque, low noise and low vibration to ensure their high efficiency, long life and reliability. In addition, the battery systems of many new energy vehicles also require the support of electric tool motors.
4. Industrial machinery and equipment
Electric tool motors are widely used in various industrial machinery and equipment, such as: fans, water pumps, conveyor belts, ship propellers, etc. These mechanical devices usually require high-power electric tool motors to ensure their high efficiency, long life, high performance and high reliability.
5. Medical equipment
Electric tool motors are also widely used in medical equipment, such as: various types of ECG machines, X-ray machines, CT scanners, medical oxygen machines, medical splints, etc. These medical equipment usually require special requirements such as high precision, low noise, low vibration and low electromagnetic interference of electric tool motors. The application of electric tool motors in medical equipment helps to improve the reliability, work efficiency and diagnostic accuracy of medical equipment sex.
In conclusion, electric tool motor is an important industrial product and application, and its flexibility, reliability, and high availability are its enduring advantages. Based on this, electric tool motors can be used in various types of product manufacturing, including electric tools, household appliances, environmental protection and new energy fields, industrial machinery and medical equipment, etc., and it can improve product production efficiency, processing quality, use Life and safety, and then promote economic development and social progress.
5.Conservation
1. Keep clean
Cleaning is the most basic item in the routine maintenance of power tool motors. After using the New Type Electric Tool Motor, be sure to clean it. If there is oil or dust on the surface of the motor, it can be wiped clean with a soft damp cloth. If there is a stain that is difficult to remove, it can be cleaned with a small amount of detergent. However, when using the cleaning agent, be careful not to let it drip into the inside of the electric tool motor, so as to avoid the risk of short circuit or oxidation corrosion.
2. Regular inspection
Regular inspection is one of the important links in the daily maintenance of New Type Electric Tool Motors. Before using a power tool motor, carefully inspect it for complete integrity of wires, plugs, insulation, etc., and for cracks or exposed wires. If a fault or defect is found, stop using it immediately and repair or replace it in time. In addition, in the process of using the electric tool motor, it is necessary to check its wear and operating status from time to time, and adjust and maintain it in time.
3. Proper lubrication
Proper lubrication is one of the important links in the daily maintenance of New Type Electric Tool Motors. Common power tool motor lubricants include lubricating oil, petroleum jelly, wax, etc. Lubricating oil is suitable for high-speed rotating parts, petroleum jelly is suitable for hydraulic systems and oscillating parts, and wax is suitable for sliding parts such as guide rails and screws. When using lubricants, pay attention to the correct use method and dosage, and do not use too much or too little.
4. Keep the temperature normal
Keeping the temperature normal is one of the important links in the daily maintenance of New Type Electric Tool Motors. Too high or too low temperature will affect the operation effect and service life of the electric tool motor. If the electric tool motor heats up severely during use, stop using it in time, check whether its cooling system is normal, and whether it is necessary to replace radiators and other equipment. At the same time, care should be taken not to expose the electric tool motor to high or low temperature environments for a long time, so as not to affect the performance and service life of the motor.
To sum up, the daily maintenance of New Type Electric Tool Motors is very important. It can not only improve the efficiency of the motor, prolong its service life, but also ensure our safety. In daily maintenance, we must pay attention to keeping clean and hygienic, regularly inspecting faults and repairing parts, properly lubricating, and maintaining normal temperature, etc. When there is a problem, we need to take timely measures to ensure that the electric tool motor is always in good working condition. I believe that as long as we carefully maintain and protect the electric tool motor, it will definitely bring us more convenience and comfort.
6.FAQ
Q: How to judge the quality of electric tool motor?
Answer: The quality of the electric tool motor is mainly determined by the following aspects: the power, speed, material, process and manufacturing process of the motor. Generally speaking, brand awareness, product reputation, after-sales service and other aspects also need to be considered.
Q: How to maintain the electric tool motor?
Answer: During the use of electric tool motors, daily maintenance and cleaning should be paid attention to. First of all, to ensure the normal operation of the electric tool motor, check whether the motor wiring is firm. Secondly, the motor should be cleaned regularly, especially the brushes and radiator, to ensure the normal operation and safe use of the motor.
Q: How to avoid power tool motor failure?
Answer: When using electric tool motors, you need to pay attention to the purpose and use of the motor, and at the same time follow the instructions and safety precautions of the electric tool motor manufacturer. If there is an abnormal situation, the power should be turned off in time to avoid unnecessary loss or danger.
Hot Tags: new type electric tool motor, China, manufacturers, suppliers, factory, wholesale, customized, quotation, discount, price, buy, cheap
You Might Also Like
Send Inquiry
















